ŁAZIENKA
492,84 zł
4 w magazynie
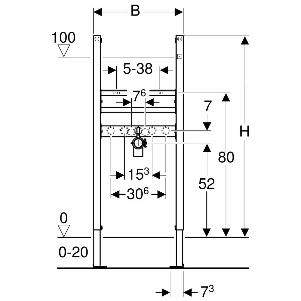
Stelaż (element montażowy) DuofixBasic do umywalki, H112
Statyczna rama samonośna, zabezpieczona przed korozją powłoką malowaną proszkowoRama z nawierconym otworem o 9 mm do zamocowania w konstrukcji drewnianejNogi montażowe ocynkowaneNogi montażowe o regulowanym położeniu w zakresie 0–20 cmStopy z tworzywa sztucznegoGłębokość stóp odpowiednia do montażu w profilach U UW 50Odstęp między mocowaniami umywalki 5–38 cmMocowanie kolana odpływowego o regulowanej wysokości i izolowane akustycznieTrawers do armatury o regulowanej wysokości i głębokości
Właściwości
| Waga | 9,36 kg |
|---|---|
| Kod producenta | HGT004 |
| Indeks producenta | 111.471.00.1 |




